EN
Back to All Series

Filters

Filter results

Series: 60C

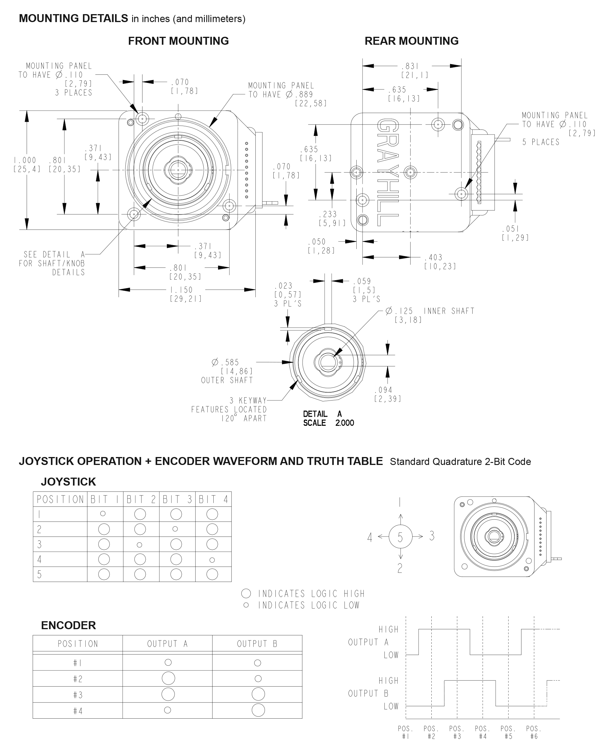
Grayhill’s 60C NavCoder Multifunction Joysticks are specialized interface devices designed for navigating on-screen software. They provide 4-way directional control with a central pushbutton on concentric shafts for selecting menu options. In addition, the joysticks have a rotational control feature that allows users to scroll through various options or adjust settings, such as volume intensity.

Link copied to clipboard. Request Quote
  • Products
  • Description
  • Drawings
  • Downloads

Showing 8 of 8 results

Product Encoder Angle of Throw Joystick Positions Output Shaft Diameter: Deck A (in) Stock
60C22-M7-4-020C
NavCoder Multifunction Joystick 60C22-M7-4-020C
84Quadrature, Digital Voltage0.585
60C22-M7-4-020S
NavCoder Multifunction Joystick 60C22-M7-4-020S
84Quadrature, Digital Voltage0.585
60C22-M7-4-030C
NavCoder Multifunction Joystick 60C22-M7-4-030C
84Quadrature, Digital Voltage0.585
60C22-M7-4-040C
NavCoder Multifunction Joystick 60C22-M7-4-040C
84Quadrature, Digital Voltage0.585
60C22-M7-4-040S
NavCoder Multifunction Joystick 60C22-M7-4-040S
84Quadrature, Digital Voltage0.585
60C22-M7-4-060C
NavCoder Multifunction Joystick 60C22-M7-4-060C
84Quadrature, Digital Voltage0.585
60C22-M7-4-060S
NavCoder Multifunction Joystick 60C22-M7-4-060S
84Quadrature, Digital Voltage0.585
60C22-M7-4-120S
NavCoder Multifunction Joystick 60C22-M7-4-120S
84Quadrature, Digital Voltage0.585

Showing 8 of 8 results

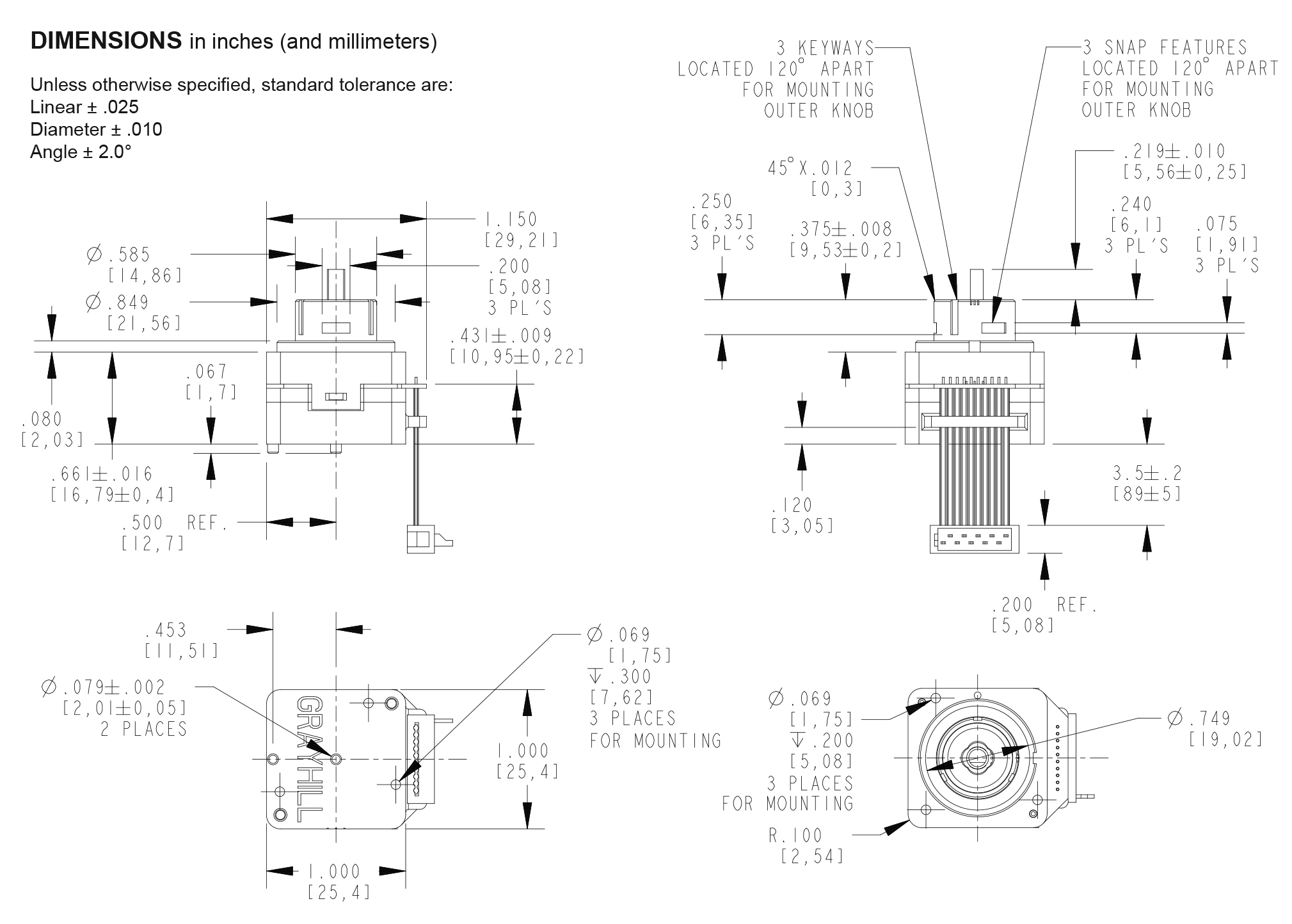
  • Concentric Shafts for joystick and rotary encoder
  • Life Rating (cycles): 1,000,000
  • Size – inches [mm]: 1.150 x 1.000 [29,21 x 25,40]
  • Depth Behind Panel – inches [mm]: 0.744 [18,90]
  • Resolution: 16 PPR
  • Concentric Shafts for joystick and rotary encoder
  • Life Rating (cycles): 1,000,000
  • Size – inches [mm]: 1.150 x 1.000 [29,21 x 25,40]
  • Depth Behind Panel – inches [mm]: 0.744 [18,90]
  • Resolution: 16 PPR
Products

Showing 8 of 8 results

60C22-M7-4-020C
NavCoder Multifunction Joystick 60C22-M7-4-020C
Encoder Angle of Throw: 8
Joystick Positions: 4
Output: Quadrature, Digital Voltage
Shaft Diameter: Deck A (in): 0.585
60C22-M7-4-020S
NavCoder Multifunction Joystick 60C22-M7-4-020S
Encoder Angle of Throw: 8
Joystick Positions: 4
Output: Quadrature, Digital Voltage
Shaft Diameter: Deck A (in): 0.585
60C22-M7-4-030C
NavCoder Multifunction Joystick 60C22-M7-4-030C
Encoder Angle of Throw: 8
Joystick Positions: 4
Output: Quadrature, Digital Voltage
Shaft Diameter: Deck A (in): 0.585
60C22-M7-4-040C
NavCoder Multifunction Joystick 60C22-M7-4-040C
Encoder Angle of Throw: 8
Joystick Positions: 4
Output: Quadrature, Digital Voltage
Shaft Diameter: Deck A (in): 0.585
60C22-M7-4-040S
NavCoder Multifunction Joystick 60C22-M7-4-040S
Encoder Angle of Throw: 8
Joystick Positions: 4
Output: Quadrature, Digital Voltage
Shaft Diameter: Deck A (in): 0.585
60C22-M7-4-060C
NavCoder Multifunction Joystick 60C22-M7-4-060C
Encoder Angle of Throw: 8
Joystick Positions: 4
Output: Quadrature, Digital Voltage
Shaft Diameter: Deck A (in): 0.585
60C22-M7-4-060S
NavCoder Multifunction Joystick 60C22-M7-4-060S
Encoder Angle of Throw: 8
Joystick Positions: 4
Output: Quadrature, Digital Voltage
Shaft Diameter: Deck A (in): 0.585
60C22-M7-4-120S
NavCoder Multifunction Joystick 60C22-M7-4-120S
Encoder Angle of Throw: 8
Joystick Positions: 4
Output: Quadrature, Digital Voltage
Shaft Diameter: Deck A (in): 0.585

Showing 8 of 8 results