EN
Back to All Series

Filters

Filter results

Series: 39-2X

Grayhill’s process-sealed 39-2X Pushbutton switches are a reliable, durable solution for many applications. Our pushbuttons feature various contact mechanisms, circuitry, mounting, and termination options, making it easy to find a model that suits your needs.  Typical applications for our pushbutton switches include security systems, industrial manufacturing equipment, casino gaming, audio/video equipment, avionics, fitness equipment, and test and measurement equipment. If you require customization, we can provide tailored options. This includes adjusting the actuation force and travel distance and offering specific termination and cabling solutions. Our flexibility allows you to create the ideal pushbutton switch for your use case. Additionally, we offer a range of customizations such as custom caps and legends, unique detents (clicks) and tactile feedback, multiple termination and cabling options, custom electronics, and integration into a Grayhill custom front panel assembly. With these options, you can ensure that your pushbutton switches meet your exact specifications and requirements.

Link copied to clipboard. Request Quote
  • Products
  • Description
  • Drawings
  • Downloads

Showing 4 of 4 results

Product Contact Type Circuitry Max Switch Rating Mechanical Life Cycles Stock
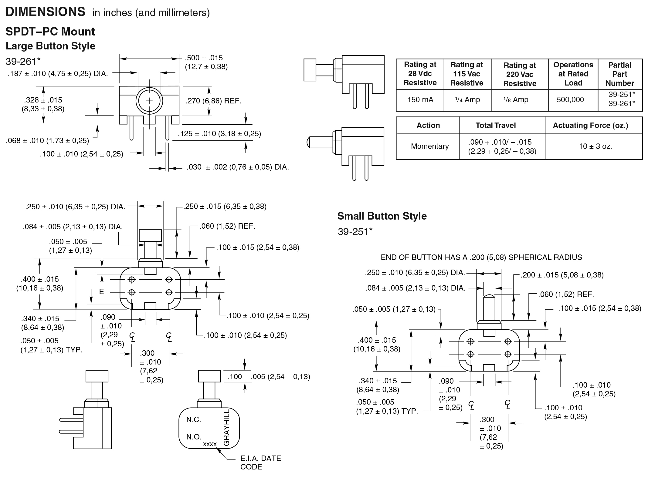
39-251 BLK
Pushbutton 39-251 BLK
Butt ContactSPDT - N.C.250 mA500000
39-251 RED
Pushbutton 39-251 RED
Butt ContactSPDT - N.C.250 mA500000
39-261 BLK
Pushbutton 39-261 BLK
Butt ContactSPDT - N.C.250 mA500000
39-261 RED
Pushbutton 39-261 RED
Butt ContactSPDT - N.C.250 mA500000

Showing 4 of 4 results

  • Process sealed
  • Electrical Rating: 1/4 Amps at 115 Vac
  • Circuitry: SPST
  • Termination: Thru-hole
  • Life Rating (cycles): 500,000
  • Process sealed
  • Electrical Rating: 1/4 Amps at 115 Vac
  • Circuitry: SPST
  • Termination: Thru-hole
  • Life Rating (cycles): 500,000
Products

Showing 4 of 4 results

39-251 BLK
Pushbutton 39-251 BLK
Contact Type: Butt Contact
Circuitry: SPDT - N.C.
Max Switch Rating: 250 mA
Mechanical Life Cycles: 500000
39-251 RED
Pushbutton 39-251 RED
Contact Type: Butt Contact
Circuitry: SPDT - N.C.
Max Switch Rating: 250 mA
Mechanical Life Cycles: 500000
39-261 BLK
Pushbutton 39-261 BLK
Contact Type: Butt Contact
Circuitry: SPDT - N.C.
Max Switch Rating: 250 mA
Mechanical Life Cycles: 500000
39-261 RED
Pushbutton 39-261 RED
Contact Type: Butt Contact
Circuitry: SPDT - N.C.
Max Switch Rating: 250 mA
Mechanical Life Cycles: 500000

Showing 4 of 4 results