EN
Back to All Series

Filters

Filter results

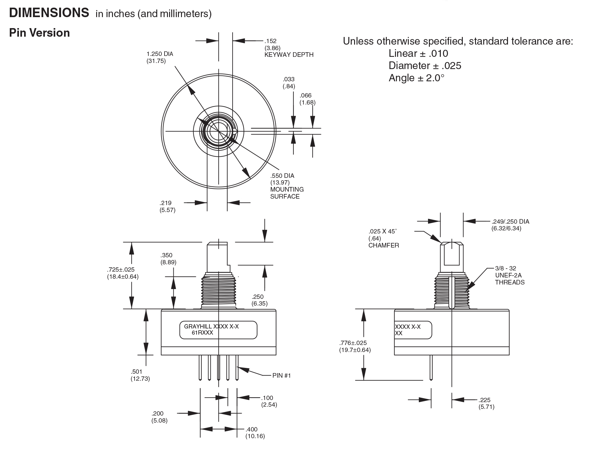
Series: 61R

Grayhill’s high-resolution, 5-pin 61R Machine Rotary Encoders provide excellent tactile feedback to the user, making them a reliable choice for various applications. They feature debris-resistant Hall-effect sensor technology and are available in multiple cycle options, including 25, 32, 50, 64, 100, 128, and 256 cycles per revolution. Additionally, users can choose between sealed versions for more demanding environments or standard models. With a sturdy construction and options for cable or pin configurations, these rugged encoders are designed to withstand rigorous use and boast an impressive operational life of up to 10 million rotational cycles. The greatest advantage of optical encoders lies in their non-contact switching technology, which contributes to an exceptionally high operational life. While the specific end product may vary, optical encoders are commonly utilized in applications that measure speed, distance, and rotational angle. Their design and functionality make them suitable for a wide range of industries where precision and durability are essential.

Link copied to clipboard. Request Quote
  • Products
  • Description
  • Drawings
  • Downloads

Showing 29 of 29 results

Product Output Angle of Throw Supply Voltage (VDC) Shaft Diameter (in) Stock
61R100
Machine Rotary Encoder 61R100
Quadrature3.650.25
61R100-020
Machine Rotary Encoder 61R100-020
Quadrature3.650.25
61R100-050
Machine Rotary Encoder 61R100-050
Quadrature3.650.25
61R128
Machine Rotary Encoder 61R128
Quadrature2.8150.25
61R128-040
Machine Rotary Encoder 61R128-040
Quadrature2.8150.25
61R128-050
Machine Rotary Encoder 61R128-050
Quadrature2.8150.25
61R128-060
Machine Rotary Encoder 61R128-060
Quadrature2.8150.25
61R128-075
Machine Rotary Encoder 61R128-075
Quadrature2.8150.25
61R128-080
Machine Rotary Encoder 61R128-080
Quadrature2.8150.25
61R25
Machine Rotary Encoder 61R25
Quadrature14.450.25
61R256
Machine Rotary Encoder 61R256
Quadrature1.4150.25
61R256-020
Machine Rotary Encoder 61R256-020
Quadrature1.4150.25
61R256-030
Machine Rotary Encoder 61R256-030
Quadrature1.4150.25
61R256-035
Machine Rotary Encoder 61R256-035
Quadrature1.4150.25
61R256-100
Machine Rotary Encoder 61R256-100
Quadrature1.4150.25
61R32
Machine Rotary Encoder 61R32
Quadrature1.4150.25
61R50
Machine Rotary Encoder 61R50
Quadrature1.4150.25
61R64
Machine Rotary Encoder 61R64
Quadrature5.62550.25
61R64-050
Machine Rotary Encoder 61R64-050
Quadrature5.62550.25
61RS100
Machine Rotary Encoder 61RS100
Quadrature3.650.25
61RS128
Machine Rotary Encoder 61RS128
Quadrature2.8150.25
61RS128-040
Machine Rotary Encoder 61RS128-040
Quadrature2.8150.25
61RS128-080
Machine Rotary Encoder 61RS128-080
Quadrature2.8150.25
61RS256
Machine Rotary Encoder 61RS256
Quadrature1.4150.25
61RS256-020
Machine Rotary Encoder 61RS256-020
Quadrature1.4150.25
61RS256-060
Machine Rotary Encoder 61RS256-060
Quadrature1.4150.25
61RS32
Machine Rotary Encoder 61RS32
Quadrature11.2550.25
61RS50
Machine Rotary Encoder 61RS50
Quadrature11.2550.25
61RS50-025
Machine Rotary Encoder 61RS50-025
Quadrature7.250.25

Showing 29 of 29 results

  • Optional index pulse
  • Life Rating (cycles): 10,000,000
  • Resolution (PPR): 25, 32, 50, 64, 128, 256 (cycles per revolution)
  • Body Size inches [mm]: 1.250 [31,75] diameter
  • Depth Behind Panel inch [mm]: .500 [12,70]
  • Optional index pulse
  • Life Rating (cycles): 10,000,000
  • Resolution (PPR): 25, 32, 50, 64, 128, 256 (cycles per revolution)
  • Body Size inches [mm]: 1.250 [31,75] diameter
  • Depth Behind Panel inch [mm]: .500 [12,70]
Products

Showing 29 of 29 results

61R100
Machine Rotary Encoder 61R100
Output: Quadrature
Angle of Throw: 3.6
Supply Voltage (VDC): 5
Shaft Diameter (in): 0.25
61R100-020
Machine Rotary Encoder 61R100-020
Output: Quadrature
Angle of Throw: 3.6
Supply Voltage (VDC): 5
Shaft Diameter (in): 0.25
61R100-050
Machine Rotary Encoder 61R100-050
Output: Quadrature
Angle of Throw: 3.6
Supply Voltage (VDC): 5
Shaft Diameter (in): 0.25
61R128
Machine Rotary Encoder 61R128
Output: Quadrature
Angle of Throw: 2.81
Supply Voltage (VDC): 5
Shaft Diameter (in): 0.25
61R128-040
Machine Rotary Encoder 61R128-040
Output: Quadrature
Angle of Throw: 2.81
Supply Voltage (VDC): 5
Shaft Diameter (in): 0.25
61R128-050
Machine Rotary Encoder 61R128-050
Output: Quadrature
Angle of Throw: 2.81
Supply Voltage (VDC): 5
Shaft Diameter (in): 0.25
61R128-060
Machine Rotary Encoder 61R128-060
Output: Quadrature
Angle of Throw: 2.81
Supply Voltage (VDC): 5
Shaft Diameter (in): 0.25
61R128-075
Machine Rotary Encoder 61R128-075
Output: Quadrature
Angle of Throw: 2.81
Supply Voltage (VDC): 5
Shaft Diameter (in): 0.25
61R128-080
Machine Rotary Encoder 61R128-080
Output: Quadrature
Angle of Throw: 2.81
Supply Voltage (VDC): 5
Shaft Diameter (in): 0.25
61R25
Machine Rotary Encoder 61R25
Output: Quadrature
Angle of Throw: 14.4
Supply Voltage (VDC): 5
Shaft Diameter (in): 0.25
61R256
Machine Rotary Encoder 61R256
Output: Quadrature
Angle of Throw: 1.41
Supply Voltage (VDC): 5
Shaft Diameter (in): 0.25
61R256-020
Machine Rotary Encoder 61R256-020
Output: Quadrature
Angle of Throw: 1.41
Supply Voltage (VDC): 5
Shaft Diameter (in): 0.25
61R256-030
Machine Rotary Encoder 61R256-030
Output: Quadrature
Angle of Throw: 1.41
Supply Voltage (VDC): 5
Shaft Diameter (in): 0.25
61R256-035
Machine Rotary Encoder 61R256-035
Output: Quadrature
Angle of Throw: 1.41
Supply Voltage (VDC): 5
Shaft Diameter (in): 0.25
61R256-100
Machine Rotary Encoder 61R256-100
Output: Quadrature
Angle of Throw: 1.41
Supply Voltage (VDC): 5
Shaft Diameter (in): 0.25
61R32
Machine Rotary Encoder 61R32
Output: Quadrature
Angle of Throw: 1.41
Supply Voltage (VDC): 5
Shaft Diameter (in): 0.25
61R50
Machine Rotary Encoder 61R50
Output: Quadrature
Angle of Throw: 1.41
Supply Voltage (VDC): 5
Shaft Diameter (in): 0.25
61R64
Machine Rotary Encoder 61R64
Output: Quadrature
Angle of Throw: 5.625
Supply Voltage (VDC): 5
Shaft Diameter (in): 0.25
61R64-050
Machine Rotary Encoder 61R64-050
Output: Quadrature
Angle of Throw: 5.625
Supply Voltage (VDC): 5
Shaft Diameter (in): 0.25
61RS100
Machine Rotary Encoder 61RS100
Output: Quadrature
Angle of Throw: 3.6
Supply Voltage (VDC): 5
Shaft Diameter (in): 0.25
61RS128
Machine Rotary Encoder 61RS128
Output: Quadrature
Angle of Throw: 2.81
Supply Voltage (VDC): 5
Shaft Diameter (in): 0.25
61RS128-040
Machine Rotary Encoder 61RS128-040
Output: Quadrature
Angle of Throw: 2.81
Supply Voltage (VDC): 5
Shaft Diameter (in): 0.25
61RS128-080
Machine Rotary Encoder 61RS128-080
Output: Quadrature
Angle of Throw: 2.81
Supply Voltage (VDC): 5
Shaft Diameter (in): 0.25
61RS256
Machine Rotary Encoder 61RS256
Output: Quadrature
Angle of Throw: 1.41
Supply Voltage (VDC): 5
Shaft Diameter (in): 0.25
61RS256-020
Machine Rotary Encoder 61RS256-020
Output: Quadrature
Angle of Throw: 1.41
Supply Voltage (VDC): 5
Shaft Diameter (in): 0.25
61RS256-060
Machine Rotary Encoder 61RS256-060
Output: Quadrature
Angle of Throw: 1.41
Supply Voltage (VDC): 5
Shaft Diameter (in): 0.25
61RS32
Machine Rotary Encoder 61RS32
Output: Quadrature
Angle of Throw: 11.25
Supply Voltage (VDC): 5
Shaft Diameter (in): 0.25
61RS50
Machine Rotary Encoder 61RS50
Output: Quadrature
Angle of Throw: 11.25
Supply Voltage (VDC): 5
Shaft Diameter (in): 0.25
61RS50-025
Machine Rotary Encoder 61RS50-025
Output: Quadrature
Angle of Throw: 7.2
Supply Voltage (VDC): 5
Shaft Diameter (in): 0.25

Showing 29 of 29 results